Вентиляторы серии YWF имеют электродвигатели с внешним ротором. Вентиляторы оснащены крыльчаткой с серповидными лопастями, которая имеет динамическую балансировку в двух плоскостях для достижения минимального уровня шума.
Вентиляторы данной серии легко монтируются в стеновые проемы или другие несущие конструкции. Могут использоваться для отвода тепла или обдува различных технологических установок и оборудования.
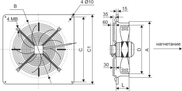
Стандартное направление вращения лопастей осевых вентиляторов YWF — против часовой стрелки, если смотреть на ротор — всасывание, направление вращения лопастей по часовой стрелке — нагнетание.
Характеристики- Компактные, малошумные вентиляторы;
- Лопасти из углеродистой стали с лакокрасочным покрытием;
- Удобный монтаж;
- Установка в любом положении;
- Ресурс не менее 40 000 часов работы;
- Класс защиты электродвигателя IP 54;
- Биметаллическая защита двигателя;
- Температура перемещаемого воздуха -25°С...+40°С.
Пример обозначения:
Вентилятор осевой YWF-4Е-250-B with plate
где: YWF – серия осевого вентилятора с защитной решеткой;
4 – число полюсов электродвигателя;
Е – комплектация однофазным двигателем;
(D - комплектация трехфазным электродвигателем);
250 – типоразмер вентилятора (по диаметру рабочего колеса);
B – нагнетание (S - всасывание);
with plate – с настенной панелью.
Внимание! Завод-изготовитель постоянно совершенствует свою продукцию и оставляет за собой право на внесение изменений в технические характеристики, цвета, цены, комплектации и т.п., представленные на данном сайте, без предварительного уведомления.
Обращаем Ваше внимание на то, что все представленные на сайте изображения и информация, касающаяся комплектаций, технических характеристик, цветовых сочетаний, а также стоимости носит информационный характер и ни при каких условиях не является публичной офертой, определяемой положениями Гражданского кодекса Российской Федерации.








